Artifex logo
Banco de Imágenes Demos Dibujo Técnicas Illes Balears Historia del Arte Castellano Català English
Cal: Apagado de la cal
Artifex - © 2003-6
Ir a la sección


( Miquel Ramis)

 

Si mezclamos 1 kilo de cal x 1/2 de su peso en agua : Hidróxido de cal en polvo

Si lo mezclamos con 3-4 veces su peso, siendo lo ideal 3,6: Cal en pasta

Si lo mezclamos con +5 veces : Lechada de cal

 

Elaboración de cal en pasta:

Preparativos previos:

- Bidón metálico o de plástico resistente a los alcalis y a la temperatura ( bidones azules con tapa hermética) o balsa de apagado.
- Un segundo bidón o balsa de reposo.
- Batidora o removedora ( un palo si se trata de un bidón, una azada o rastrillo si se trata de una balsa de fondo rectangular.

- Tamiz, rejilla metálica o plástica de 1 x 1 mm
- Una paleta catalana a la que hemos soldado un gancho que nos permite sostenerla en el borde del bidón.
- Cal viva en bolsas de plástico de 5 kilos.

- Guantes de goma, filtro para vapores y gafas de seguridad.
- Un cubo de agua limpia preparado para lavarse en caso de una salpicadura accidental.

La mezcla correcta para preparar cal en pasta es 1: 3,6 . Las bolsas de cal viva pesan 5 kilos, por lo que podemos hacer una regla de tres para saber cuanta agua necesitamos:

Si...................1 kilo de cal necesita 3,6 litros de agua,

entonces.......5 kilos de cal necesitaran X litros de agua.

X..=.............. 5 x 3,6/1 = 18 litros.

Ahora tenemos que buscar alguna medida estandarizadas que nos permita evitar el uso de balanzas: Las garrafas de agua de 5 litros y las botellas de agua de 1,5 litros.

15 litros ( 3 garrafas de 5 litros) + 3 litros ( 2 botellas de 1,5 litros) = 18 litros

Pasos a seguir:

1) Bidón o balsa, echar el agua primero y marcamos la altura que alcanza el agua. De esta manera, nos evitamos volver a tener que calcular la próxima vez.

2) Protegidos con guantes de goma, filtro y gafas de seguridad, echamos la cal removiendo con la batidora, para evitar que se pegue el fondo y paredes con una batidera o removedor. El agua se calentara hasta 70-80% y se desprendera abundante vapor. Por tanto, a la causticidad de la cal se sumará la temperatura del agua, que llega a hervir, por lo que hay que extremar las precauciones. En caso de una salpicadura accidental, nos lavaremos abundantemente con el agua clara que hemos dejado preparada a mano

3) Pasar la mezcla de la balsa de apagado a la de reposo por un tamiz de 1 x 1 mm para separar los caliches. Estos se deben filtrar pues se trata de oxidos sin hidratar, cal libre, no combinada, que contiene impurezas.

4) Almacenamiento: 3 meses para enfoscados, 6 meses para estucados. La cal mejora con el tiempo, cuanto más añeja, mejór. Los cristales son demasiado grandes y están agrupados, por lo que la mezcla resulta poco plástica. Pasados unos meses, los cristales son ahora más pequeños y están dispersos, lo que proporciona una gran plásticidad a la cal.

Se almacenan en bidones cubiertos por 20-30 cm de agua, etiquetándolos con la fecha del apagado. A los 6 meses habra absorbido el agua, aparciendo en la superficie grietas de hasta 1,5 mm. Se forma una costra cristalizada que impide la evaporación del agua sin que seque el resto. Humedecer de vez en cuando.

 

Solo nos queda limpiara cuidadosamente los utiles, especialmente el tamiz, con agua de grifo, aprovechando para revisar si tiene algun agujero. Si queda algún resto de cal en un objeto metálico, este se oxidará, a causa de la alcalinidad de la cal.

El volumen de cal apagada duplica o triplica el de cal viva utilizada.

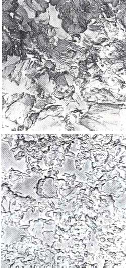
La primera imágen es una ampliación de cal recién apagada, con grandes cristales agrupados, por tanto, poco plástica.

La segunda, la misma cal después de permanencer 6 meses embalsada con agua: los cristales son mucho más pequeños y laminares. El resultado es un aumento de la plasticidad.

 


Ver la cal

Ver la cal y los colores



Home Index Mapaweb ¿Quieres colaborar? Arriba
Consellería d'Innovació i Energía The European Comunity Fundació Illes Balears per a la Innovació Tecnológica Blau Rustic Ajuntament d'Alaró
Propiedad intelectual & Copyright © 2002.2003, Blau Rustic s.l.l.